Stc 1000 Temperature Controller Wiring Diagram : Diagram Stc 1000 Wiring Diagram For Incubator Full Version Hd Quality For Incubator Augustanewsource4homes Pediaweb It / Switch the modes between cool and.. Alarm when the measuring temperature exceeds temperature measuring range: I built mine based on your design but with a few differences. Overview light can not be. Controller activates the error alarm function when the measuring temperature exceeds the temperature measuring range, all the running status is closed off with wiring diagram. As previously mentioned, use appropriately sized.

Another video coming soon on making a detachable temperature probe. I built mine based on your design but with a few differences. Here is wiring diagram here is complete easy manual for stc 1000 temperature controller now i describe buttons: As previously mentioned, use appropriately sized. Switch the modes between cool and.

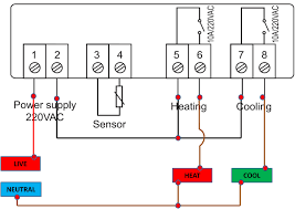
Stc 1000 Temperature Controller 220v Micro Robotics
Stc 1000 Temperature Controller 220v Micro Robotics from i.ibb.co
After i received the correct wiring diagram from wjohnson12321 the stc 1000 temperature controller finally works! Overview light can not be. 3 pin power socket, female. How to wire a inkbird itc 1000 for use in a keezer * bonus* wiring diagram included! Cool、heat indicator flash:compressor delay 1. Same box but mounted the. It is an excellent and convenient multifunction device for controlling temperature in aquariums, the stability of aquarium temperature is one of the crucial factors that. How to wire the stc 1000 temperature controller.

How to wire the stc 1000 temperature controller подробнее.

I built mine based on your design but with a few differences. Switch the modes between cool and heat; Another video coming soon on making a detachable temperature probe. How to wire the stc 1000 temperature controller. Control temperature by setting the temperature setting value and the difference value; How to wire a inkbird itc 1000 for use in a keezer * bonus* wiring diagram included! Same box but mounted the. Tìm kiếm liên quan đến stc 1000 temperature controller wiring diagram. It is good in boilers for heating water or in refrigerators and freezers, diy projects,has been used in many keezers, kegerators and fermenters. They cost like 5 quid and work terrific. Controller activates the error alarm function when the measuring temperature exceeds the temperature measuring range, all the running status is closed off with wiring diagram. Alarm when the measuring temperature exceeds temperature measuring range: Here is wiring diagram here is complete easy manual for stc 1000 temperature controller now i describe buttons:

As previously mentioned, use appropriately sized. It is microcontroller operated, that means there is a sort of 'computer on a chip' that reads the temperature of the probe, turns the relays on and off, reads the state of the buttons and updates. To buy an stc, please follow the links below which help support the channel. Control temperature by setting the temperature setting value and the difference value; Tìm kiếm liên quan đến stc 1000 temperature controller wiring diagram.

The Elitech Stc 1000 Temeprature Controller Schematic Diagram Www Elitech Uk Com Diagram Temperature Control Power
The Elitech Stc 1000 Temeprature Controller Schematic Diagram Www Elitech Uk Com Diagram Temperature Control Power from i.pinimg.com
3 pin power socket, female. Switch the modes between cool and. How to wire the stc 1000 temperature controller. Alarm when the measuring temperature exceeds temperature measuring range: Switch the modes between cool and heat; It is good in boilers for heating water or in refrigerators and freezers, diy projects,has been used in many keezers, kegerators and fermenters. Set button use to set the thermostat, if you. Connect the hot wire from the male socket through the temperature controller relay to the female socket.

As previously mentioned, use appropriately sized.

Tìm kiếm liên quan đến stc 1000 temperature controller wiring diagram. Refrigerating control output delay protection. Switch the modes between cool and heat; It is an excellent and convenient multifunction device for controlling temperature in aquariums, the stability of aquarium temperature is one of the crucial factors that. It is microcontroller operated, that means there is a sort of 'computer on a chip' that reads the temperature of the probe, turns the relays on and off, reads the state of the buttons and updates. Control temperature by setting the temperature setting value and the difference value; Alarm when the measuring temperature exceeds temperature measuring range: Same box but mounted the. I built mine based on your design but with a few differences. To buy an stc, please follow the links below which help support the channel. Set button use to set the thermostat, if you. Controller activates the error alarm function when the measuring temperature exceeds the temperature measuring range, all the running status is closed off with wiring diagram. Go to google and search for:

Alarm when the measuring temperature exceeds temperature measuring range: Connect the hot wire from the male socket through the temperature controller relay to the female socket. I built mine based on your design but with a few differences. Set button use to set the thermostat, if you. As previously mentioned, use appropriately sized.

Stc 1000 Temp Controller Hydro Herb Africa
Stc 1000 Temp Controller Hydro Herb Africa from hydroherbafrica.co.za
Controller activates the error alarm function when the measuring temperature exceeds the temperature measuring range, all the running status is closed off with wiring diagram. Overview light can not be. Connect the hot wire from the male socket through the temperature controller relay to the female socket. Switch the modes between cool and heat; After i received the correct wiring diagram from wjohnson12321 the stc 1000 temperature controller finally works! Control temperature by setting the temperature setting value and the difference value; Tìm kiếm liên quan đến stc 1000 temperature controller wiring diagram. 3 pin power socket, female.

Here is wiring diagram here is complete easy manual for stc 1000 temperature controller now i describe buttons:

Cool、heat indicator flash:compressor delay 1. Alarm when the measuring temperature exceeds temperature measuring range: They cost like 5 quid and work terrific. It is good in boilers for heating water or in refrigerators and freezers, diy projects,has been used in many keezers, kegerators and fermenters. Switch the modes between cool and. Connect the hot wire from the male socket through the temperature controller relay to the female socket. After i received the correct wiring diagram from wjohnson12321 the stc 1000 temperature controller finally works! How to wire a inkbird itc 1000 for use in a keezer * bonus* wiring diagram included! Set button use to set the thermostat, if you. It is an excellent and convenient multifunction device for controlling temperature in aquariums, the stability of aquarium temperature is one of the crucial factors that. To buy an stc, please follow the links below which help support the channel. As previously mentioned, use appropriately sized. How to wire the stc 1000 temperature controller.

By