Home › Unlabelled ›
2007 Buick Lacrosse Engine Water Pump Location / 3800 V6 Engine Sensor Locations Pictures And Diagrams / The 1990 buick 3800 was a car my father purchased 10 years before his death and i have repainted and restored it to like new and drive it daily.
2007 Buick Lacrosse Engine Water Pump Location / 3800 V6 Engine Sensor Locations Pictures And Diagrams / The 1990 buick 3800 was a car my father purchased 10 years before his death and i have repainted and restored it to like new and drive it daily.. Didn't take long, confirmed my suspicions. Ask us in our car repair forums. Haynes can help you complete this job on your buick lacrosse. I have a 1994 buick lesabre wich is gushing water looks waterfall near driver side of engine did not appear to be coming from heads and is on opposite side of car from water pump. See body style, engine info and more specs.
See body style, engine info and more specs. How to replace a water pump on any 3800 v6 engine.vehicle for demonstration is a 1989 buick lesabreworks for any buick, gm, oldsmobile, or pontiac with the. 2011 buick lacrosse with repeating code p2138, which i'm thinking is due to water intrusion from outside vehicle. Read our list of car repair questions answered by dealer mechanics. Manuals and user guides for buick 2007 lacrosse.
3800 V6 Engine Sensor Locations Pictures And Diagrams from www.greatautohelp.com One of which is timing chain stretch on the gm produced ly7 designation dual overhead cam 3.6 liter engine. New listingportable car manual hand siphon pump hose oil syphon transfer pump accessories (fits: Try going to google and type 07 buick lacrosse cxv sedan power steering resevoir location. In terms of location, automotive water pumps are usually mounted to the front of the engine the majority of vehicles have basic centrifugal (mechanical) water pumps consisting of a main shaft, housing, and impeller. A water pump endures the rotation speed of the engine and tension against its bearings from the serpentine belt. Owner's manual, getting to know manual. The main safe seal is subject to coolant system pressure and the heat of the engine which can wear the seal out causing a. We have the following 2007 buick lacrosse manuals available for free pdf download.
A water pump endures the rotation speed of the engine and tension against its bearings from the serpentine belt.
I will replace the ac pressure sensor/pressure switch on my 2007 buick lacrosse. Check out our lacrosse engine today! 2011 buick lacrosse with repeating code p2138, which i'm thinking is due to water intrusion from outside vehicle. This is how you replace the water pump on this 07 buick lucerne but basically all gm 3800 engines are basically the same procedures to replace this water pump. I don't have lots of experience but i am learning. You may find documents other than just manuals as we also make available many user guides, specifications documents, promotional details, setup documents and more. The information below was known to be true at the time the vehicle was manufactured. Chevrolet buick pontiac olds engine water pump trq wpa07301. Select a 2007 buick lacrosse trim level. Ask us in our car repair forums. How to replace a water pump on any 3800 v6 engine.vehicle for demonstration is a 1989 buick lesabreworks for any buick, gm, oldsmobile, or pontiac with the. I recently changed the oil, flushed the coolant, replaced the thermostat and never had any problems. The 2005 buick lacrosse has a 3.8 l base engine size.
I have a 1994 buick lesabre wich is gushing water looks waterfall near driver side of engine did not appear to be coming from heads and is on opposite side of car from water pump. How to replace a water pump on any 3800 v6 engine.vehicle for demonstration is a 1989 buick lesabreworks for any buick, gm, oldsmobile, or pontiac with the. New listingportable car manual hand siphon pump hose oil syphon transfer pump accessories (fits: Engine water pump with gasket for cadillac ats cts srx sts xts chevrolet equinox traverse buick lacrosse gmc pontiac saab suzuki. I don't have lots of experience but i am learning.
5 Symptoms Of A Bad Water Pump And Replacement Cost In 2021 from cartreatments.com 2007 buick lacrosse cx fwd. Where are the sunroof drains located, how do i clear them, and check if they have disconnected? Ask us in our car repair forums. View similar cars and explore different trim configurations. 2011 buick lacrosse with repeating code p2138, which i'm thinking is due to water intrusion from outside vehicle. Buick lacrosse car and truck. A wide variety of gmc engine water pump options are available to you, such as certification, car fitment. So i hooked a pressure tester to the coolant system and noticed the coolant was coming from the water pump lower vent.
I have 2010 buick lacrosse cxs.
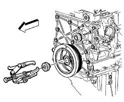
Water pump replacement estimate for buick lacrosse. One of which is timing chain stretch on the gm produced ly7 designation dual overhead cam 3.6 liter engine. Try going to google and type 07 buick lacrosse cxv sedan power steering resevoir location. I will replace the ac pressure sensor/pressure switch on my 2007 buick lacrosse. I have a 1994 buick lesabre wich is gushing water looks waterfall near driver side of engine did not appear to be coming from heads and is on opposite side of car from water pump. Chevrolet buick pontiac olds engine water pump trq wpa07301. Manuals and user guides for buick 2007 lacrosse. We offer a full selection of genuine buick lacrosse secondary air injection pumps, engineered fits the following buick lacrosse years: 2007 buick 3.8 timing cover removal/leak. This is how you replace the water pump on this 07 buick lucerne but basically all gm 3800 engines are basically the same procedures to replace this water pump. Haynes can help you complete this job on your buick lacrosse. Where are the sunroof drains located, how do i clear them, and check if they have disconnected? Read our list of car repair questions answered by dealer mechanics.
Research the 2007 buick lacrosse at cars.com and find specs, pricing, mpg, safety data, photos, videos, reviews and local inventory. 2007 buick lacrosse cx fwd. Engine water pump with gasket for cadillac ats cts srx sts xts chevrolet equinox traverse buick lacrosse gmc pontiac saab suzuki. 2010 buick lacrosse 3.6l p0496 purge solenoid location and replacement. Request a dealer quote or view used cars at msn autos.
Engine Maintenance How To Replace The Timing Belt And Water Pump Holts from www.holtsauto.com We offer a full selection of genuine buick lacrosse secondary air injection pumps, engineered fits the following buick lacrosse years: Free buick auto repair help and advice. Where are the sunroof drains located, how do i clear them, and check if they have disconnected? 2007 buick 3.8 timing cover removal/leak. 2007 buick lacrosse cxl sedan. The 1990 buick 3800 was a car my father purchased 10 years before his death and i have repainted and restored it to like new and drive it daily. Here at advance auto parts, we work with only top. We have 2 buick 2007 lacrosse manuals available for free pdf download:
The main safe seal is subject to coolant system pressure and the heat of the engine which can wear the seal out causing a.
In time this will wear the water pump out and cause a failure. 2011 buick lacrosse with repeating code p2138, which i'm thinking is due to water intrusion from outside vehicle. Fuel economy of 2007 buick vehicles. We offer a full selection of genuine buick lacrosse secondary air injection pumps, engineered fits the following buick lacrosse years: I have a 1994 buick lesabre wich is gushing water looks waterfall near driver side of engine did not appear to be coming from heads and is on opposite side of car from water pump. 2010 buick lacrosse 3.6l p0496 purge solenoid location and replacement. One of which is timing chain stretch on the gm produced ly7 designation dual overhead cam 3.6 liter engine. The 2005 buick lacrosse has a 3.8 l base engine size. The 1990 buick 3800 was a car my father purchased 10 years before his death and i have repainted and restored it to like new and drive it daily. Research the 2007 buick lacrosse at cars.com and find specs, pricing, mpg, safety data, photos, videos, reviews and local inventory. Chevrolet buick pontiac olds engine water pump trq wpa07301. Didn't take long, confirmed my suspicions. Owner's manual, getting to know manual.